Parkside PLG 20 C1 Umbau auf DC
Umbau eines PLG 20 C1 auf DC Stromversorgung.
Aus Sicherheitsgründen lade ich Akkus ungern über selbstgebaute Netzteile.
Da aber von Parkside keine DC Ladegeräte angeboten werden bleibt letztlich nur der Umbau eines 230V Ladegerätes auf DC Versorgung.
Dazu soll der interne AC Teil durch einen DC-DC Stepdown Spannungswandler mit CC und CV ersetzt werden.
Als DC-DC verwende ich ein XL4015 Board das überall günstig zu bekommen ist.
Erstmal habe ich das Gerät etwas näher untersucht um die Funktionsweise zu erkennen:
- Es gibt 2 Pfade die vom internen Schaltnetzteil zum Laderegler führen
- Ein Pfad führt über einen Optokoppler und scheint das Schaltnetzteil zu steuern.
- Der zweite Pfad ist der Powerpfad über den die CC und CV des Schaltnetzteils an den Charger gehen.
- Den Optokoppler kann man nicht einfach ersetzen, wir kümmern uns nur um Powerpfad
- Im Standby liegen 11,7 V an dem Chargerteil an.
- Wenn ein Akku angesteckt wird, dann schaltet die Spannung auf 21,2 V um
- Ein schnelles umschalten von direkt 11,7 V auf 21,2 V führt zu einem Fehler
- Wenn die Spannung langsam (Delta von 1-2 Sekunden) erhöht wird gibt der Charger den Strom frei
- Getestet wurde mit einem manuellem hochdrehen des Labor Netzteils.
Es gilt also das DC-DC mit Standby zu starten und wenn der Akku kommt die Spannung langsam hoch zu fahren.
Spannungsrampe
Für die Spannungsrampe hänge ich mich an den OpenDrain Anschluss der roten LED.
Sobald ein Akku eingesteckt wird geht die Rote LED an und liefert ein perfektes Startsignal für die DC Umschaltung.
Der DC-DC Stepdown Regler nutzt in meinem Fall einen 270 Ohm Widerstand um die Ausgangsspannung zu regeln.
Wenn man einen Widerstand parallel dazu schaltet und so den Wert absenkt, kann man die Spannung auf 21,2V erhöhen.
Das darf natürlich nicht schlagartig passieren, dann hätte man den oben erwähnten Fehler.
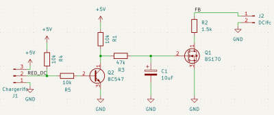
Dazu dient die folgende Schaltung die von links das LED-Signal (RED_OC) auf nimmt und rechts einen 1,5k Ohm parallel zum 270 Ohm (FB) des DC Reglers schaltet.
Die 5V Versorgung für die Platine greife ich vom Laderegler ab, da dieser auch auf 5V arbeitet.
Die Spannung in der Standbyphase ist relativ unkritisch, das funktioniert auch ausgehend von 18V noch zuverlässig.
Deshalb muss ledglich die Endspannung im Ladebetrieb auf 21,2 V kalibriert werden.
Dazu kann man auf der Platine die RED_OC und GND brücken und am DC-DC die 21,2 V einstellen.
Bauteilliste:
- Q1: BS170
- Q2: BC547
- C1: 10uF
- R1: 1.5k
- R2: 10k
- R3: 47k
- R4: 10k
- R5: 10k
- 2 Pin
- 3 Pin
Im nachfolgenden Bild seht ihr die 3 Komponenten miteinander verbunden:
- links der übrige Lade Teil
- rechts oben der DC-DC Regler
- rechts unten die selbst gebaute Stromrampe
Als Kabel habe ich die 230V Leitung wiederverwendet da diese perfekt ins Gehäuse integriert ist und der Querschnitt ausreichend ist für bis zu 3A.
⚠️ Sicherheitshinweis
Beim Arbeiten an und mit Li-Ion-Akkus besteht grundsätzlich ein erhöhtes Risiko. Falsche Spannungen, fehlerhafte Ladeelektronik oder unsachgemäße Handhabung können zu Überhitzung, Brand oder Zerstörung des Akkus führen.
Der hier beschriebene Umbau greift in die Ladeelektronik ein und ist nicht vom Hersteller vorgesehen. Nachbau, Modifikation und Betrieb erfolgen auf eigene Gefahr und setzen elektronisches Fachwissen voraus.
Der Autor übernimmt keine Haftung für Schäden an Geräten, Akkus oder Personen. Li-Ion-Akkus sollten nur mit geeigneter Schutzschaltung, korrekter Ladespannung und unter Aufsicht geladen werden.
